บริการของเรา

Our services

ผลิต-ซ่อม กระบอกลมนิวเมติก-ไฮดรอลิค

บริการรับผลิตกระบอกลมนิวเมติก-ไฮดรอลิค ตามแบบลูกค้า โดยทีมช่างผู้ชำนาญการผลิต

รับซ่อม - เปลี่ยนซีล โอริง และอะไหล่ ลูกสูบกระบอก พร้อมตรวจเช็คการสึกหรอของเสื้อสูบ-แกนกระบอก เพื่อให้อายุการใช้งานยืดยาวขึ้น


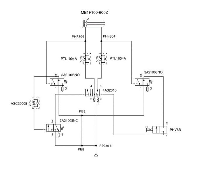
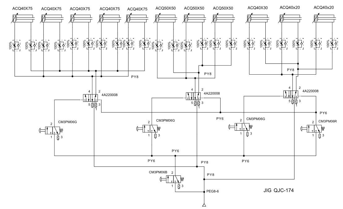
ออกแบบวงจรระบบนิวเมติก

ทางเรามีทีมงานวิศวกรบริการการออกแบบระบบนิวเมติก คำนวณความเร็ว-น้ำหนักให้กับทางลูกค้าก่อนการสั่งสินค้า เพื่อให้อุปกรณ์ที่นำไปใช้งานมีประสิทธิภาพสูงสุด


งานติดตั้งระบบ

บริการติดตั้ง-ออกแบบตู้วงจรนิวเมติก โดยทีมงานวิศวกรคุณภาพ


จากประสบการณ์ที่มากกว่า 10 ปี ทางบริษัทฯ ได้ทำการปรับปรุงพัฒนางานด้านการบริการ เพื่อก้าวสู่ความเป็นหนึ่งในด้านสินค้าและการให้บริการที่รวดเร็วเพื่อตอบสนองความต้องการของทางลูกค้าอย่างรวดเร็ว

บริษัท ไฮโดรเมติก ทูล จำกัด
เราเป็นตัวแทนจำหน่ายแบรนด์ AirTAC
และเป็นผู้ผลิต นำเข้า จัดจำหน่าย อุปกรณ์นิวเมติกส์ (Pneumatic) อุปกรณ์ไฮดรอลิก (Hydraulic) คุณภาพทุกชนิด

ดาวน์โหลด แคตตาล็อกสินค้า

ติดต่อเรา

155/70 หมู่ที่ 1 ต.หนองขาม อ.ศรีราชา จ.ชลบุรี 20230

+66 033-000-133

+66 09-3625-6228

sales@hdmt.co.th

ติดตามเรา

@hydrosales

© HYDROMATIC TOOLS. CO., LTD. All Right Reserved.
Develop By Thailand Directory